Eladó Ház, Tiszakécske

Ingatlan azonosító: HI-2550509

Bács-Kiskun megye - Tiszakécske, Családi ház


15 990 000 Ft (43 689 €)

  • Hirdetés feladója: Ingatlaniroda
  • Pontos cím: Tiszakécske Sárhalom dűlő
  • Típus: Eladó
  • Belső irodai azonosító: M324679-5174461
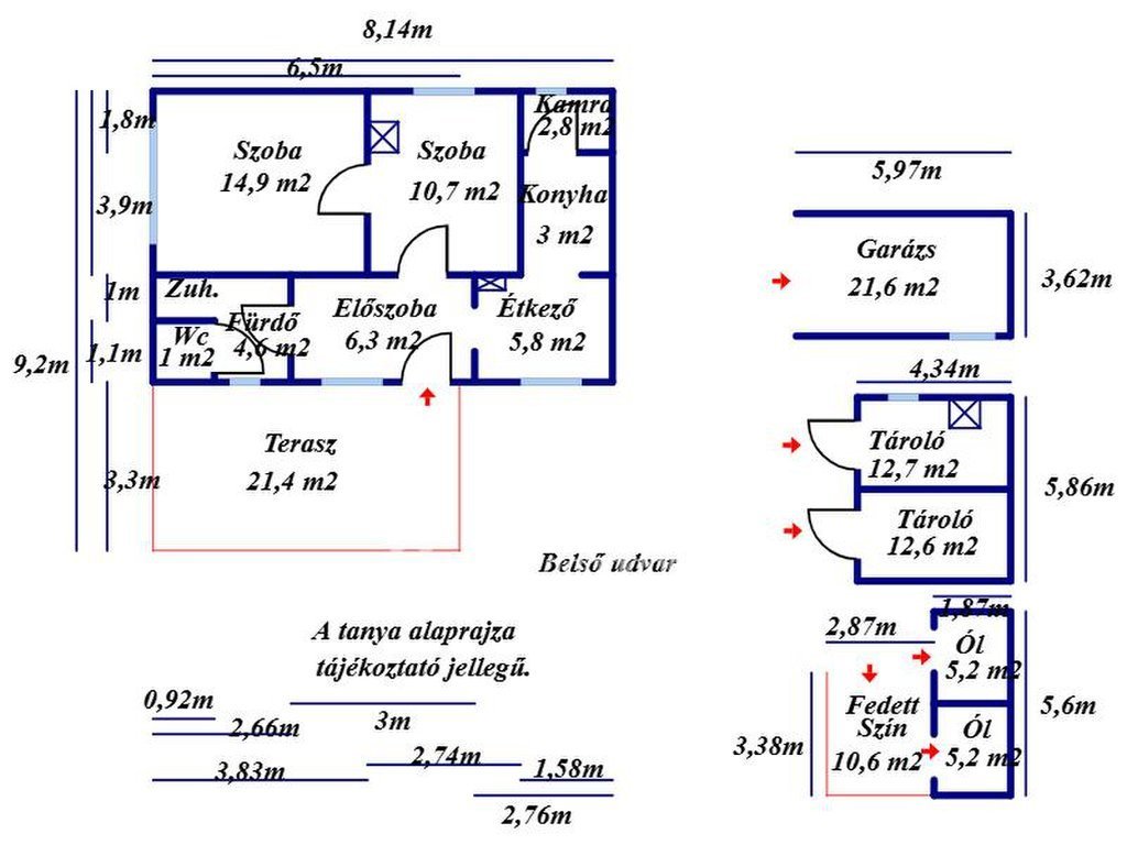
  • Alapterület: 49 m²
  • Telekterület: 3 309 m² ( 920 négyszögöl )
  • Építés éve: 1950
  • Egész szobák száma (12 m² felett): 2 db
  • Félszobák száma (6-12 m² között): 0 db
  • Ingatlan állapota: jó állapotú
  • Komfort: komfortos
  • Fűtés: egyéb
  • Pince: nincs
  • Akadálymentesített: nincs
  • Napelem van?: nincs
  • Légkondicionáló: nincs

Leírás

Bács-Kiskun vármegye, Tiszakécske külterületén kivett tanya megnevezésű ingatlan 49 m2 hasznos nettó alapterületű lakó- és gazdasági épületeivel, 3309 m2-es telken eladó! Az 1960-ban épült száraz, vegyes falazatú épület stukatoros fa födémmel, fa tetőszerkezettel és cserepeslemez héjazattal készült, körben csatornával ellátott. A homlokzat jó állapotú, festett. A lakóépület két szobából, egy konyhából, egy étkezőből, egy kamrából, egy fürdőszoba-WC helyiségből, egy előszobából és egy 21 m2-es nyitott teraszból áll. A helyiségek járólap- és laminált padló borításúak. A külső- és belső nyílászárók jó állapotú fa szerkezetűek, a bejárati ajtó jó minőségű, dupla fa szerkezetű. A közművek közül az ingatlanban az egyfázisú villany (32 Amper) cserélt vezetékeléssel, körönként kismegszakítókkal és Fi relével rendelkezésre áll. Az ingatlan víz-ellátására házi vízművel ellátott fúrt kút kiépített, a szennyvíz elvezetésére emésztő az udvaron biztosított. Az otthon melegéről cserépkályha és sparhelt gondoskodik, melyhez két falazott vegyestüzelésű kémény kiépített. A melegvíz ellátását Ariston okosbojler biztosítja. A tanya területén több gazdasági épület található: egy 21 m2-es garázs, két tároló, két gazdasági helyiség és egy fedett szín. A felújított ingatlan jelen állapotában azonnal költözhető, a benne lévő bútorzat, konyhabútor, hűtő és a gáztűzhely a vételár részét képezheti. A lakóépület udvara részben kerített, de beton oszlopokkal körben behatárolt. Gépjárművek számára a földesútról a behajtás biztosított, aszfaltozott út pár száz méteren belül megtalálható. A telek területe rendezett, részben füves, részben fákkal tarkított. Az ingatlan elhelyezkedése kiváló: Tiszakécske és a Barack Thermálfürdő pár km-en belül elérhető. A hirdetés tájékoztató jellegű, az ingatlanról pontos adatokat a megtekintést követően a tulajdonos által elmondottak alapján tudunk garantálni! Birtokba adás megegyezés szerint lehetséges. A vásárlás finanszírozásában az OTP kedvezőbb kamatozású hitelkonstrukcióival tudunk segíteni, díjmentesen, sorban állás nélkül! Az adásvételi szerződés lebonyolításához korrekt ügyvédi közreműködést tudunk ajánlani. Amennyiben felkeltettem érdeklődését, hívjon bizalommal!

E-mail küldése a hirdetőnek

Hibás hirdetés bejelentése

Sikeres elküldtük a hiba bejelentést.

Hirdető adatai

Sipos Melinda Irén
E-mail cím: iren.sipos.melinda@otpip.hu
Telefonszám: +36703948593
OTPip
Hirdetés feladója: Ingatlaniroda
Ingatlaniroda: OTPip
E-mail cím: nagykoros@otpip.hu
Telefonszám: +36703742452

Képek



Térkép


Ajánlott ingatlanok

Családi ház

Eladó Ház, Tiszajenő

Keresés azonosító alapján: HI-2467504
  • Tiszajenő Vasút utca
  • Alapterület: 65 m²
  • Telekterület: 1 902 m²
  • Ár: 15 990 000 Ft (43 689 €)
  • Feltöltés dátuma: 2025.08.30.
  •  
Családi ház

Eladó Ház, Tiszajenő

Keresés azonosító alapján: HI-2564807
  • Tiszajenő
  • Alapterület: 96 m²
  • Telekterület: 2 531 m²
  • Ár: 18 990 000 Ft (51 885 €)
  • Feltöltés dátuma: 2026.04.24.
  •  
Családi ház

Eladó Ház, Tiszajenő

Keresés azonosító alapján: HI-2454740
  • Tiszajenő Napfény utca
  • Alapterület: 121 m²
  • Telekterület: 2 084 m²
  • Ár: 69 900 000 Ft (190 984 €)
  • Feltöltés dátuma: 2025.08.02.
  •  
Családi ház

Eladó Ház, Cserkeszőlő

Keresés azonosító alapján: HI-2548362
  • Cserkeszőlő Kinizsi utca
  • Alapterület: 92 m²
  • Telekterület: 1 043 m²
  • Ár: 46 500 000 Ft (127 049 €)
  • Feltöltés dátuma: 2026.03.10.
  • klímás
Facebook
Blogger
Twitter
Tweets by hasznaltingatla
Flickr