Eladó Üzem, Marcali

Ingatlan azonosító: HI-2512537

Somogy megye - Marcali, Műhely


159 900 000 Ft (411 054 €)

  • Hirdetés feladója: Ingatlaniroda
  • Pontos cím: Marcali
  • Típus: Eladó
  • Belső irodai azonosító: M317364-5107994
  • Alapterület: 535 m²
  • Telekterület: 2 536 m² ( 705 négyszögöl )
  • Építés éve: 1970
  • Fűtés: gáz (cirko)
  • Napelem van?: nincs

Leírás

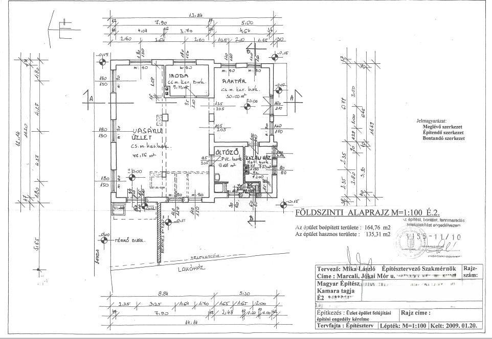
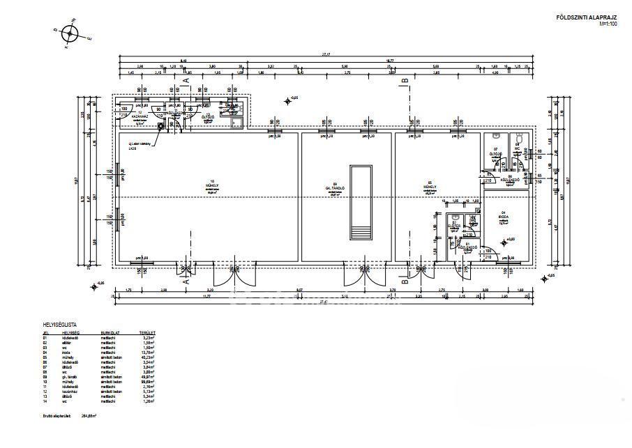
Eladó ipari ingatlan Marcali városközpontjához közel. A 2536 nm-es telken három épület helyezkedik el. Az épületek összes alapterülete 535 nm. Az első épület egy 135 nm alapterületű bemutató terem/üzlethelyiség, amely akár lakhatásra is átalakítható. Itt láthatunk egy nagy egybenyitott teret, egy irodahelyiséget, egy mellékhelyiséget, egy konyhasarkot és egy kazánházat. A tér 2 részre oszlik, az egyik a bemutató terem a másik egy raktárhelyiségként szolgáló kisebb terem. A második épületben találhatóak a műhelyek és raktárak, irodával és mellékhelyiségekkel, fürdőszobával felszerelve. A harmadik épület pedig egy nagy betonvázas tégla csarnok, amely elsősorban fedett raktározási célt szolgált, amíg az üzem működött. Nagyméretű elektromos ajtóval és hatalmas belmagassággal rendelkezik, így akár nagyobb gépek, alapanyagok, alkatrészek tárolására is alkalmas. Az épületek 2015 környékén felújításra kerültek, ezáltal minden épület kapott hőszigetelést is. Ipari árammal ellátott a telek, a fűtésről pedig gázcirkó, vegyes tüzelésű kazán, klíma és a bemutató teremben padlófűtés is gondoskodik. A három épületen kívül szabadtéri tárolók is kerültek kialakításra a telken. Az udvar kialakítása teljes mértékben alkalmas az áruszállításra. Ajánlom befektetési céllal rendelkező vásárlóknak, akár mezőgazdasági gépekkel, fa vagy fémmegmunkálással, gyártással, szereléssel foglalkozó vállalkozóknak, cégeknek. Amennyiben felkeltette érdeklődését ez a nagyszerű lehetőség, keressen bizalommal! M317364

E-mail küldése a hirdetőnek

Hibás hirdetés bejelentése

Sikeres elküldtük a hiba bejelentést.

Hirdető adatai

Balázscsikné Hanzel Renáta
E-mail cím: renata.balazscsikne.hanzel@otpip.hu
Telefonszám: +36301673181
OTPip
Hirdetés feladója: Ingatlaniroda
Ingatlaniroda: OTPip
E-mail cím: nyiregyhaza.hunyadi@otpip.hu
Telefonszám: +36303397954

Képek



Térkép


Ajánlott ingatlanok

Műhely

Eladó Üzem, Csenger

Keresés azonosító alapján: HI-2512541
  • Csenger
  • Alapterület: 3 431 m²
  • Telekterület: 32 227 m²
  • Ár: 450 000 000 Ft (1 156 812 €)
  • Feltöltés dátuma: 2025.12.14.
  •  
Irodaházban A, A+ kat.

Kiadó Irodaház, Nyíregyháza

Keresés azonosító alapján: HI-2513820
  • Nyíregyháza
  • Alapterület: 145 m²
  • Ár: 450 000 Ft (1 157 €)
  • Feltöltés dátuma: 2025.12.18.
  •  
Lakóövezeti

Eladó Telek, Téglás

Keresés azonosító alapján: HI-2512549
  • Téglás
  • Telekterület: 756 m²
  • Ár: 13 150 000 Ft (33 805 €)
  • Feltöltés dátuma: 2025.12.14.
  •  
Családi ház

Eladó Ház, Kálmánháza

Keresés azonosító alapján: HI-2510845
  • Kálmánháza
  • Alapterület: 151 m²
  • Telekterület: 1 591 m²
  • Ár: 72 000 000 Ft (185 090 €)
  • Feltöltés dátuma: 2025.12.09.
  •  
Facebook
Blogger
Twitter
Tweets by hasznaltingatla
Flickr