Eladó lakás Budapest 13. ker., Angyalföld

Ingatlan azonosító: HI-2482213

Budapest - Budapest XIII., Tégla lakás


87 000 000 Ft (222 506 €)

  • Hirdetés feladója: Ingatlaniroda
  • Pontos cím: Budapest XIII.
  • Típus: Eladó
  • Belső irodai azonosító: H507051-5048694
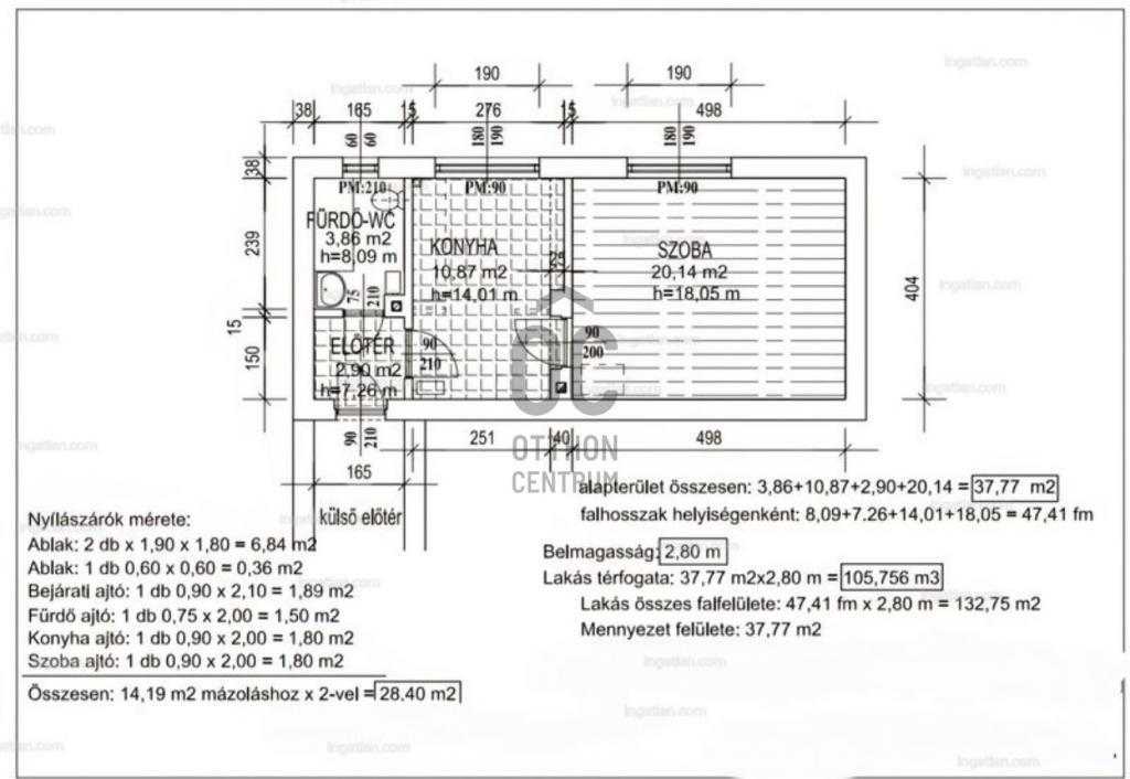
  • Alapterület: 58 m²
  • Építés éve: 1960
  • Egész szobák száma (12 m² felett): 3 db
  • Félszobák száma (6-12 m² között): 0 db
  • Fürdőszobák száma: 1 db
  • Emelet: földszint
  • Ingatlan állapota: felújított
  • Komfort: összkomfortos
  • Fűtés: gáz (cirko)
  • Lift: nincs
  • Akadálymentesített: nincs
  • Napelem van?: nincs
  • Erkély: nincs
  • Légkondicionáló: nincs
  • Kilátás: utcai
  • Tájolás: dél-nyugat
  • A lakás falazata: Tégla

Leírás

Az ingatlanpiac dinamikus világában, ahol a fiatal felnőttek igényei és elvárásai folyamatosan változnak, örömmel mutatjuk be Önnek Budapest 13. kerületében, Angyalföldön található, kiváló állapotú lakásunkat. Ez a 58 négyzetméteres, háromszobás ingatlan ideális választás lehet mindazok számára, akik egy modern, kényelmes otthonra vágynak, vagy befektetési lehetőséget keresnek a főváros szívében. A lakás elhelyezkedése a Petneházy utcában rendkívül előnyös, hiszen a közlekedési csomópont közelsége biztosítja, hogy mind a belváros, mind a környező kerületek könnyen megközelíthetők legyenek. A közeli busz- és villamosmegállók révén a napi ingázás egyszerű és gyors, így akár a munkahelye, akár a szórakozási lehetőségek elérése nem jelenthet problémát. A közelben található üzletek, éttermek és kávézók pedig hozzájárulnak a mindennapi élet kényelméhez és szórakozásához. A lakás belső elrendezése jól átgondolt, a három szoba lehetőséget biztosít a családtagok vagy barátok számára, hogy kényelmesen éljenek együtt, miközben megőrzik a privát szférájukat is. A fürdőszoba modern berendezése és a kiváló állapotú ingatlan garantálja, hogy Önnek csak a költözésre kell koncentrálnia, minden más már adott. A gáz (cirkó) fűtés pedig nemcsak gazdaságos, hanem kellemes hőmérsékletet biztosít a hideg téli hónapokban is. Angyalföld nemcsak a lakás szempontjából vonzó, hanem a környék biztonsága és csendessége is kiemelkedő. A zöld területek, parkok és játszóterek lehetőséget biztosítanak a szabadidő kellemes eltöltésére, legyen szó sétáról, futásról vagy családi piknikezésről. A kerület kulturális és közösségi élete is gazdag, így mindig találhat programot, ami leköti az érdeklődését. Ez a lakás nem csupán egy ingatlan, hanem egy új élet lehetősége. Ha Ön egy fiatal felnőtt, aki egy modern, kényelmes otthont keres, vagy befektetési céllal keres ingatlant, ne habozzon, keressen bizalommal! Bármilyen kérdése van, szívesen állok rendelkezésére, hogy segítsek Önnek megtalálni a tökéletes otthont vagy befektetést. Az ingatlanpiac izgalmas lehetőségei várják Önt, ne maradjon le róluk! Referencia szám: H507051-HI

E-mail küldése a hirdetőnek

Hibás hirdetés bejelentése

Sikeres elküldtük a hiba bejelentést.

Hirdető adatai

Urbán Ákos
E-mail cím: urban.akos@oc.hu
Telefonszám: +36 70 412 4461
Otthon Centrum
Hirdetés feladója: Ingatlaniroda
Ingatlaniroda: Otthon Centrum
E-mail cím: 20.kerulet@oc.hu
Telefonszám: +36 1 283 4535

Képek



Térkép


Ajánlott ingatlanok

Tégla lakás

Eladó lakás Budapest 20. ker., Erzsébetfalva

Keresés azonosító alapján: HI-2487607
  • Budapest XX.
  • Alapterület: 39 m²
  • Ár: 44 000 000 Ft (112 532 €)
  • Feltöltés dátuma: 2025.10.08.
  •  
Tégla lakás

Eladó lakás Budapest 13. ker., Angyalföld

Keresés azonosító alapján: HI-2481390
  • Budapest XIII.
  • Alapterület: 79 m²
  • Ár: 119 900 000 Ft (306 650 €)
  • Feltöltés dátuma: 2025.09.27.
  •  
Tégla lakás

Eladó lakás Budapest 7. ker., Belső Erzsébetváros

Keresés azonosító alapján: HI-2427149
  • Budapest VII.
  • Alapterület: 87 m²
  • Ár: 145 000 000 Ft (370 844 €)
  • Feltöltés dátuma: 2025.06.03.
  •  
Tégla lakás

Eladó lakás Budapest 9. ker., Középső Ferencváros

Keresés azonosító alapján: HI-2481391
  • Budapest IX.
  • Alapterület: 64 m²
  • Ár: 76 900 000 Ft (196 675 €)
  • Feltöltés dátuma: 2025.09.27.
  •  
Facebook
Blogger
Twitter
Tweets by hasznaltingatla
Flickr